对于山东地区的高中生,尤其是物理学科的低年级考生来说,掌握一个清晰的知识框架是至关重要的。齐鲁家长圈为大家提供一份详尽的山东高中物理知识框架图,帮助考生们更好地理解物理学科的结构,为未来的学习打下坚实的基础。
力学知识结构图


光学知识结构图

热学、原子物理知识结构图

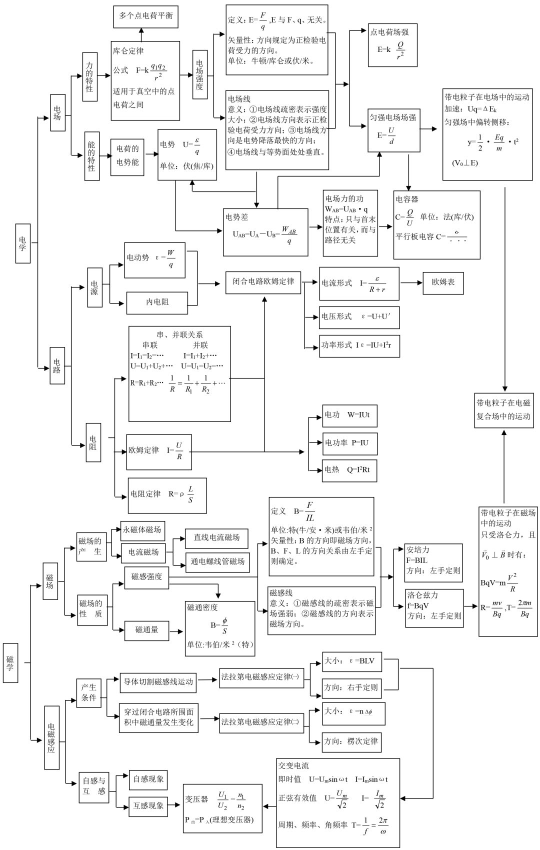
电磁学知识结构图

欢迎低年级考生和家长加入【山东高考升学群】,高一、高二、高三、综评、强基、竞赛、试题群都有!为大家分享山东高考政策解读、高中选科、综评强基、志愿填报、各类试题等重要信息!
扫码添加老师,备注年级及进群类型,如:山东高一强基/山东高三试题/山东高二竞赛等



























